

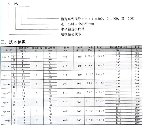
【产品简介】
ZPS系列振动输送机采用振动电机作为振动源、使物料被抛起同时向前做直线运动,达到输送的目的。
免费获取报价
全国统一销售热线

吉林面粉厂的李经理您好,您在我公司新乡大汉机械采购的直径...
通知:浏阳刘先生您好,您在新乡大汉振动机械采购的LS500型螺...
通知:浙江王先生,您好!您在大汉机械采购的面粉不锈钢螺旋...
通知:广东黄经理您好,您在新乡大汉机械采购的不锈钢直线筛...
Copyright ? 2007-2020 新乡市大汉振动机械有限公司 版权所有
All Rights Reserved 备案序号:豫ICP备09002479号-15