

【产品简介】
本品为直径800mm型单层二出口碳钢三次元旋振筛,子母网分离式网架,整机为碳钢,整机喷漆.
免费获取报价
全国统一销售热线
800型单层旋振筛筛面直径为800mm,处理量在800kg/时,适合中小产量用于使用,用于筛分500目以内的干式粉末或颗粒物料,过滤细至5微米。
旋振筛是一种高精度细粉筛分机械,工作原理是由直立式电机作激振源,电机上、下两端安装有偏心重锤,将电机的旋转运动转变为水平、垂直、倾斜的三次元运动,再把这个运动传递给筛面。调节上、下两端的相位角,可以改变物料在筛面上的运动轨迹,由于其振动运转原理很多企业也称之为“三次元振动筛分过滤机”,根据外形结构被部分客户称呼为圆形筛。
800型单层旋振筛技术参数
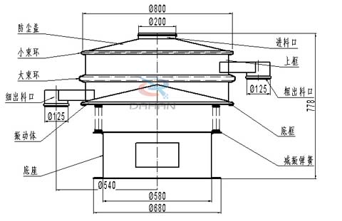
“大汉”800型单层旋振筛代号示意图

800型单层旋振筛结构图

800型单层旋振筛用途:

800型单层旋振筛适用的行业
化工行业:树脂、涂料、工业药品、化妆品、油漆、中药粉等。
金属、冶金矿业:铝粉、铅粉、铜粉、矿石、合金粉、焊条粉末、二氧化锰、电解铜粉、电磁性材料、研磨粉、耐火材料、高岭土、石灰、氧化铝、重质碳酸钙、石英砂等。
公害处理:废油、废水、染整废水、助剂、活性碳等。
800型单层旋振筛产品特点
1、效率高、设计精巧耐用,粉类、粘液均可筛分。
2、换网容易、操作简单、清洗方便。
3、网孔不堵塞、粉末不飞扬、可筛至500目或0.028mm。
4、杂质粗料自动排出,可以连接作业。
5、独特网架设计,筛网使用时间长久,换网快,只需3-5分钟。
6、体积小,节省空间、移动方便。
7、筛网高可以达到五层。
800型单层旋振筛物料运行轨迹的调整

800型单层旋振筛部件展示:
您可能还需要了解:
目前业内报价相对透明,价格的构成主要是由三个因素决定:...
淀粉旋振筛价格: 4000-37000元 ,其价格主要有以下几个因素决定...
河南省新乡市作为振动筛厂家集聚地,分布有百余家的厂家,哪...
河南省新乡市作为振动筛厂家集聚地,分布有百余家的厂家,哪...
Copyright ? 2007-2020 新乡市大汉振动机械有限公司 版权所有
All Rights Reserved 备案序号:豫ICP备09002479号-15